91视频下载网站股份

谘詢服務熱線: 15222906608
儀表電纜自動化成套 壓力91视频观看网站\差壓91视频观看网站\溫度91视频观看网站\液位91视频观看网站等
banner

熱門關鍵字:

您的位置: 主頁 > 91视频成人免费版動態

全國服務熱線

15222906608
壓力91视频观看网站

壓力91视频观看网站

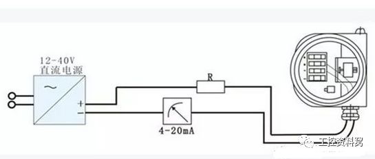
壓力91视频观看网站是一種將壓力轉換為氣動信號或電信號的裝置,用於控製和遠程傳輸。它可以將測壓元件傳感器檢測到的氣體和液體等物理壓力參數轉換成標準...
絕對壓力遠程91视频观看网站

絕對壓力遠程91视频观看网站

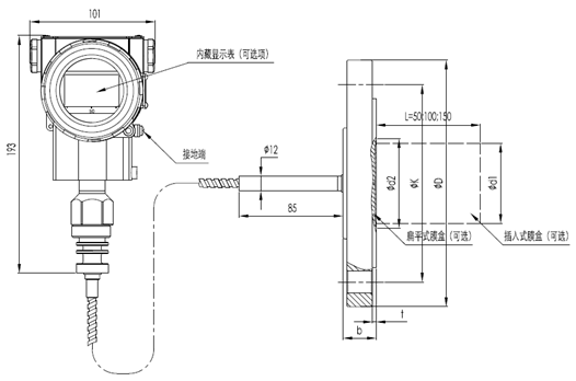
產品概述: 上海朝暉PT124B-3051GR(AR)差壓遠程傳輸91视频观看网站的波紋管用於防止管道中的介質直接進入91视频观看网站的壓力傳感器組件。壓力通過填充液體如矽油在波紋管...
功率91视频观看网站的校準方法和步驟是什麽?-信達

功率91视频观看网站的校準方法和步驟是什麽?-信達

功率91视频观看网站的校準方法和步驟是什麽?眾所周知,電量91视频观看网站的定期校準和驗證可以保證電量91视频观看网站的質量。甲類電量91视频观看网站可每年校驗一次,丙類電量變...
耐腐蝕性和防爆性壓力91视频观看网站

耐腐蝕性和防爆性壓力91视频观看网站

產品概述: PT124B-281智能防爆壓力91视频观看网站,采用壓阻式傳感器核心,外殼為不鏽鋼外殼,外殼防護等級為IP65,具有液晶顯示、耐腐蝕、寬範圍溫度補償、良好...
邁克傳感器特殊氣體測量係列壓力91视频观看网站

邁克傳感器特殊氣體測量係列壓力91视频观看网站

特殊氣體的壓力測量 在工業中,在常溫常壓下呈氣態的產品統稱為氣態產品,包括氫、氧、氮、氦、氖、氪、氬、氙、氯、一氧化碳等。根據氣體的性質,...
安徽朗輝工業智能儀表帶您了解朗輝壓力91视频观看网站

安徽朗輝工業智能儀表帶您了解朗輝壓力91视频观看网站

壓力91视频观看网站是一種將壓力轉換為氣動信號或電信號的裝置,用於控製和遠程傳輸。它可以將測壓元件傳感器檢測到的氣體和液體等物理壓力參數轉換成標準...
網站地圖